









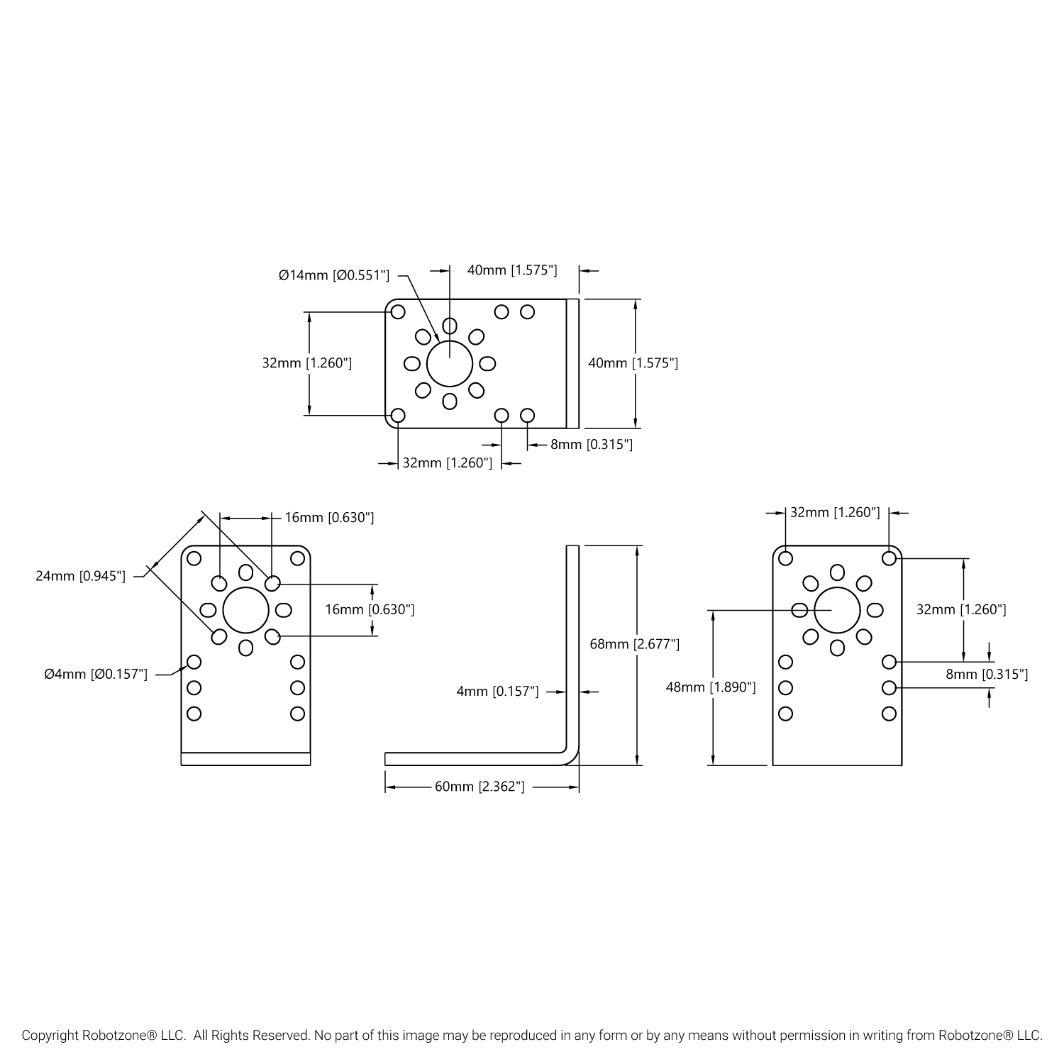
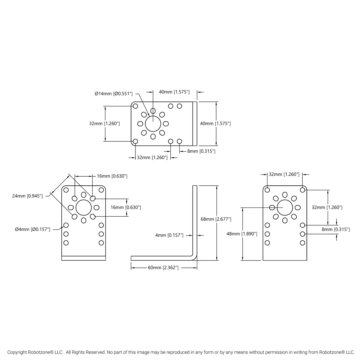
This steel 90° bracket is a sturdy solution for right angles in your project.
Its 16mm goBILDA pattern thru-holes not only surround each of its 14mm center holes, but also include holes along both sides to provide for even more mounting options!
Additionally, its asymmetrical length between perpendicular sides allows for enhanced utility in pan and tilt assemblies.
Specs
Weight | 129g |
---|---|
Material | Steel |
Finish | Zinc-Plated |