




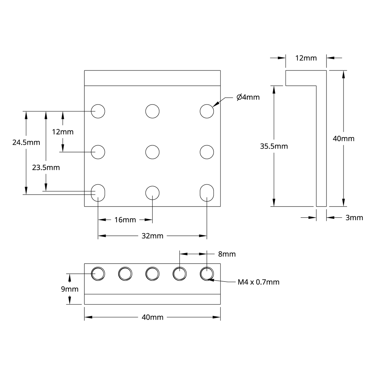
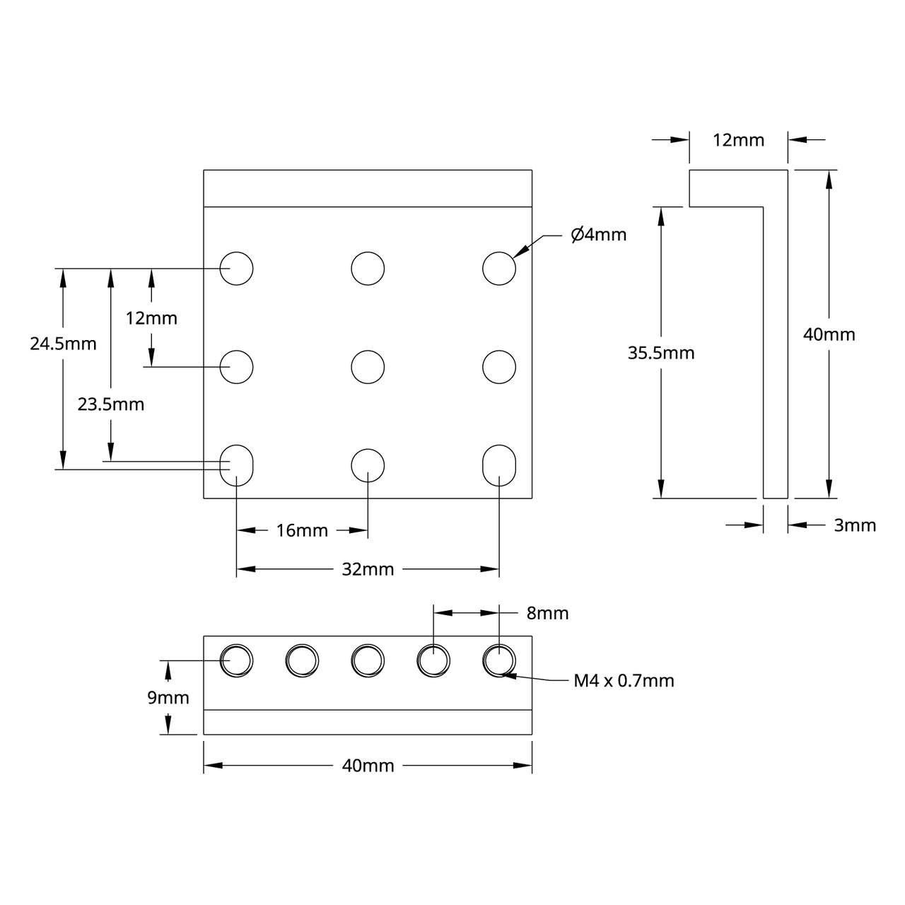
This angle mount is an integral part of a linear motion build when using v-groove bearings and v-guide inside channel. Notice the slots so that you can achieve the perfect distance between v-groove bearings for a super-smooth, no slop setup. The threaded holes will be flush with the top of the 1120 Series U-Channel and allow easy mounting of other components.
Specs
Weight | 16g |
---|---|
Material | Aluminum |
Finish | Clear Anodized |