







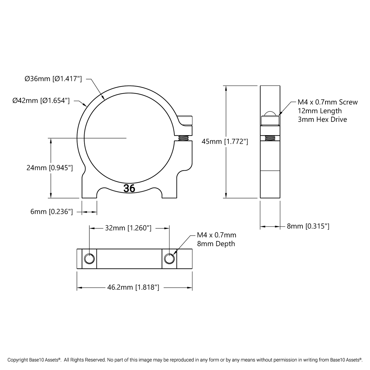
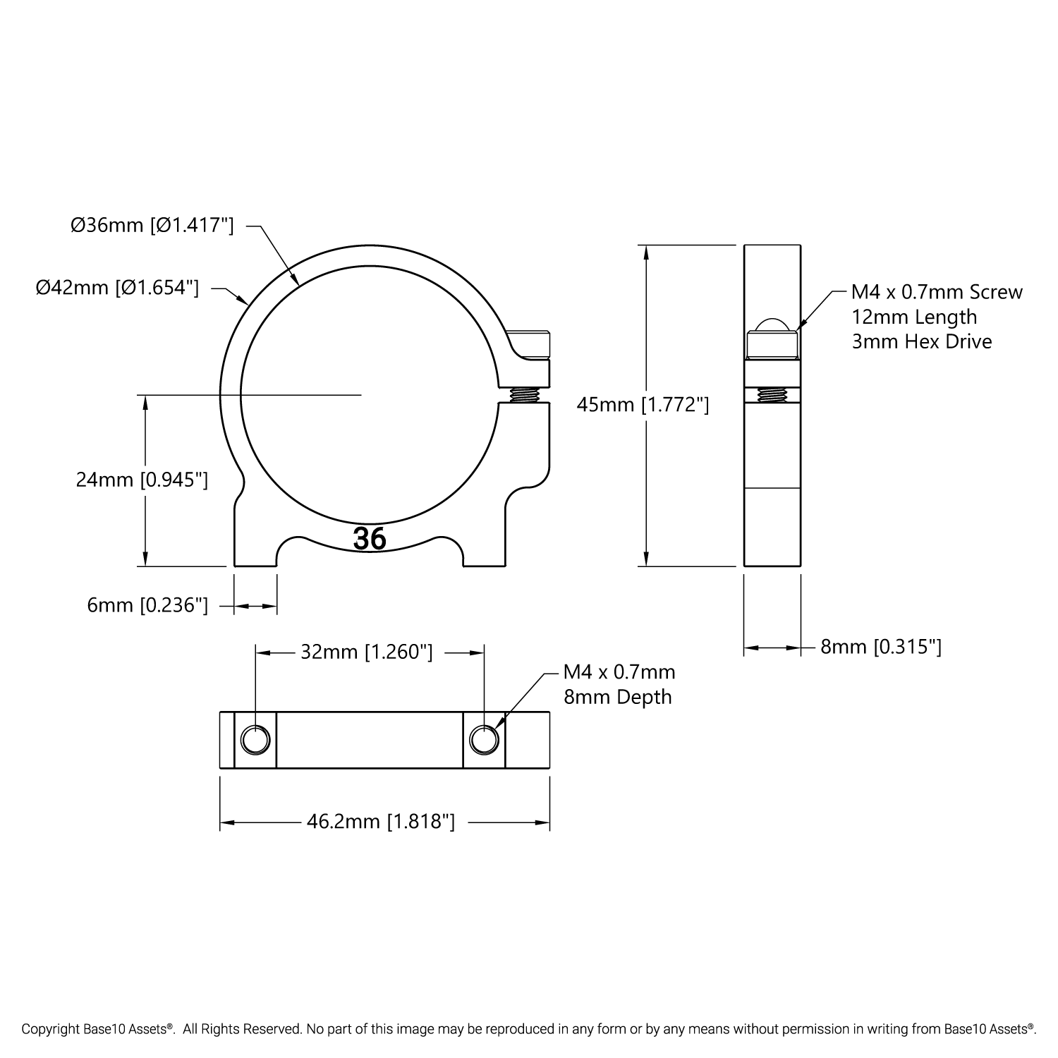
Fasten a 36mm diameter gear motor to your robot chassis using this mount. The clamping mount measures 24mm from base to center, providing a plethora of gear ratio options while staying on the 48mm center to center dimension.
Specs
Weight | 14g |
---|---|
Material | Aluminum |
Finish | Clear Anodized |