









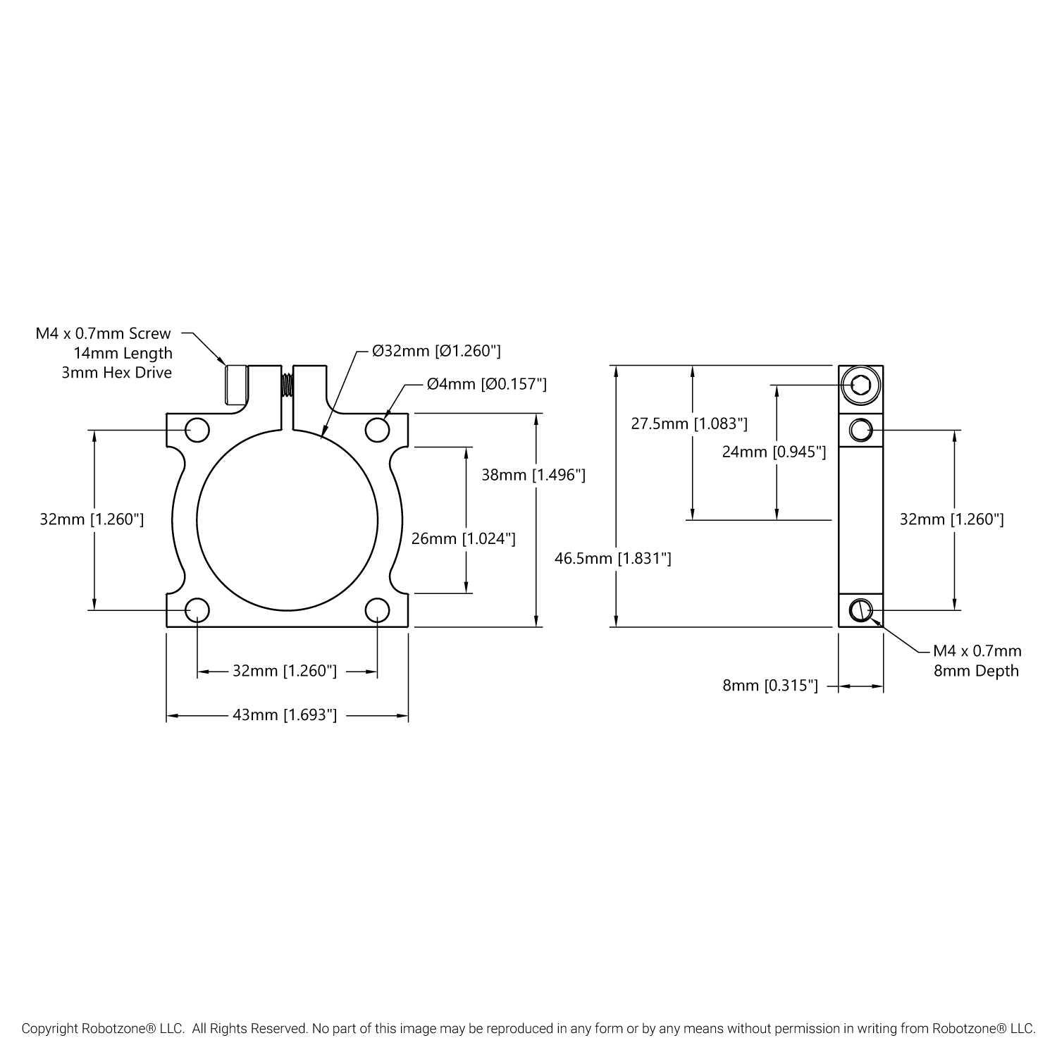
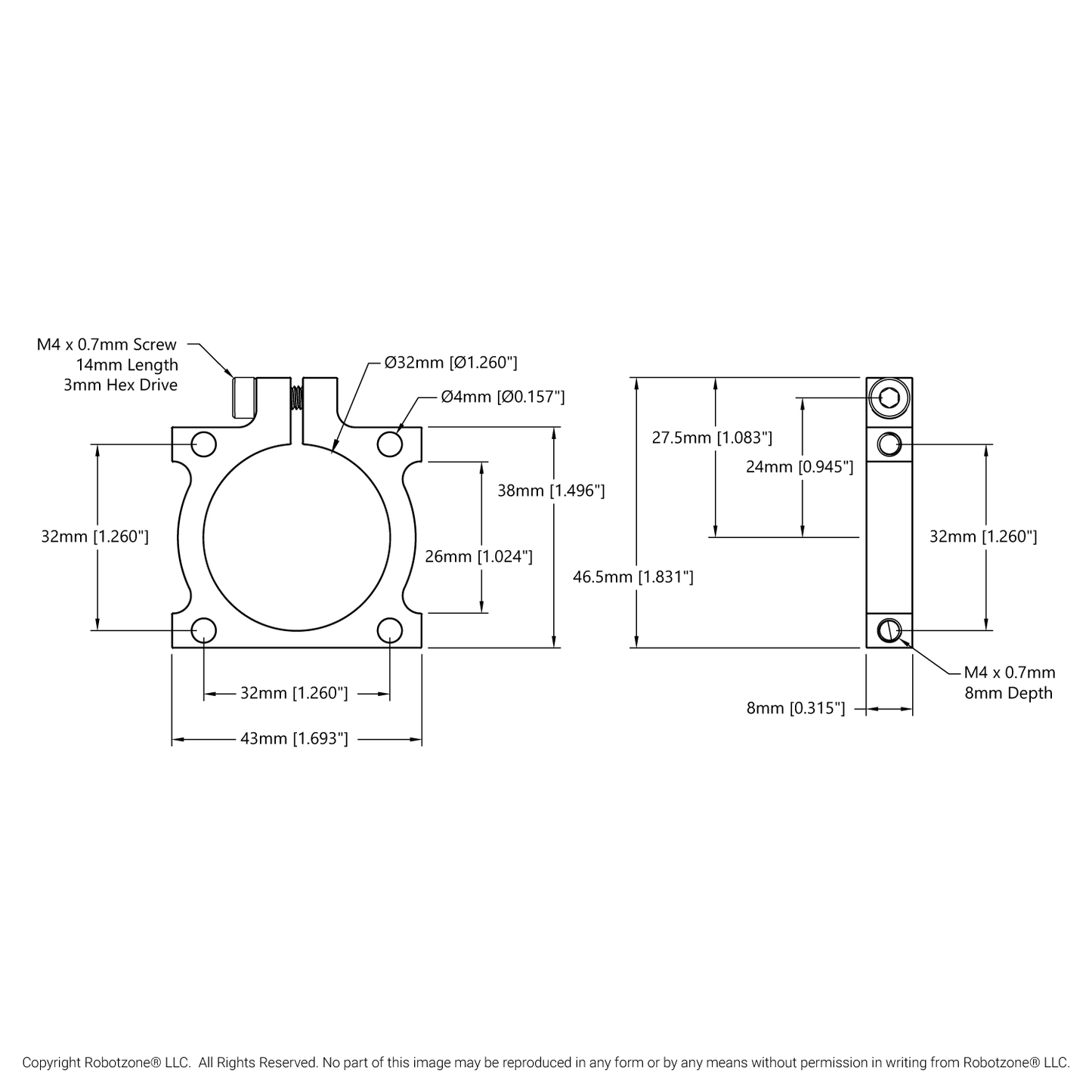
This 32mm bore clamping mount is perfect for mounting a motor (such as the 5202 Series Yellow Jacket Planetary Gear Motor), tube, or pattern spacer solidly in the center of 1120 Series U-Channel. It features four threaded side holes in addition to convenient front-facing thru-holes that expand installation possibilities.
Specs
Weight | 18g |
---|---|
Material | Aluminum |
Finish | Clear Anodized |