













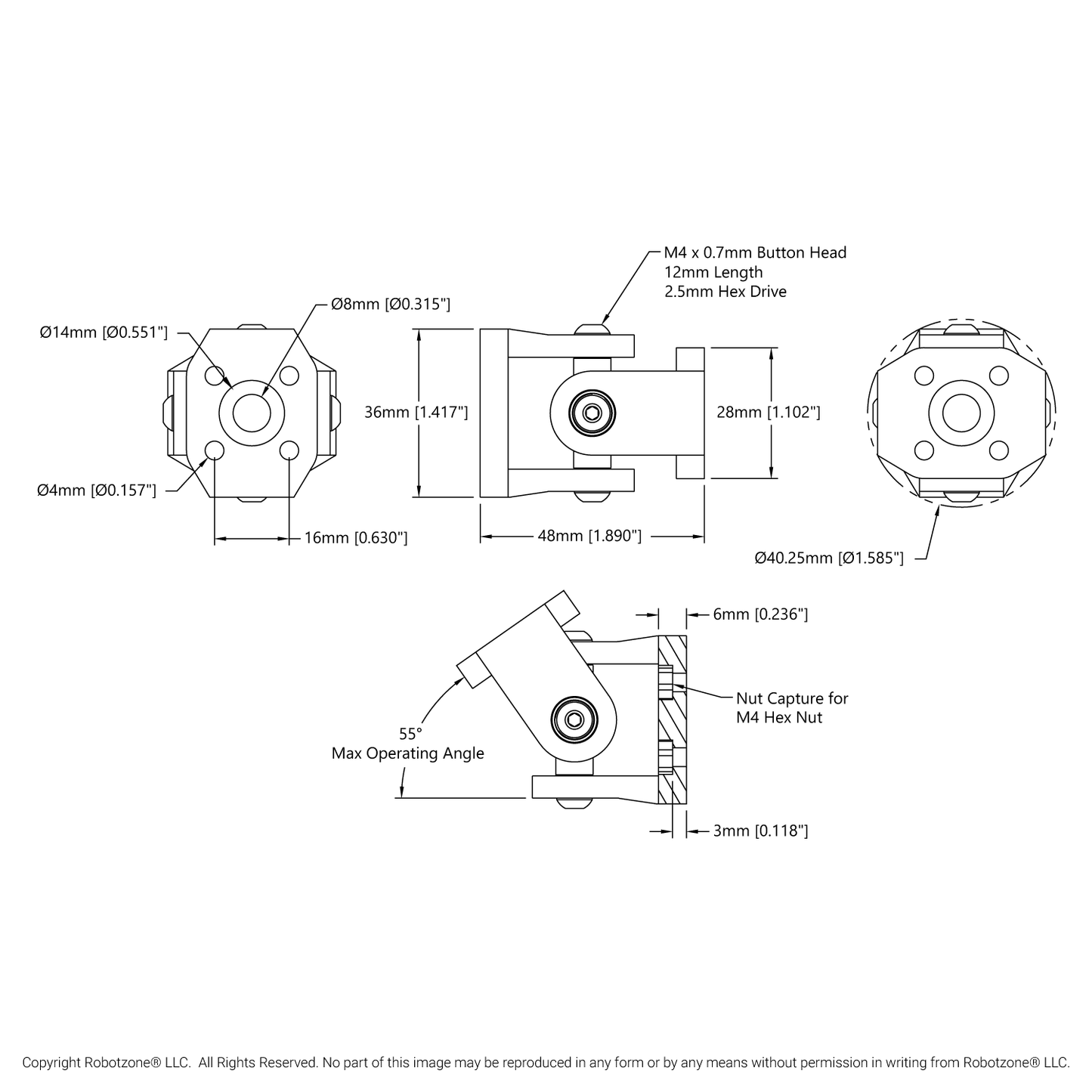
The Pattern Mount Universal Joint is the big brother to the 4003-1006-1006 Set Screw Universal Joint. As its name suggests, this joint is able to fasten to the 16mm goBILDA pattern to create large, robust rotating assemblies. Each of its M4 bolt passes through a 4mm ID ball bearing to maintain a low coefficient of friction.
Specs
Weight | 58g |
---|---|
Material | Aluminum Housing, High-Carbon Steel Bearing |