


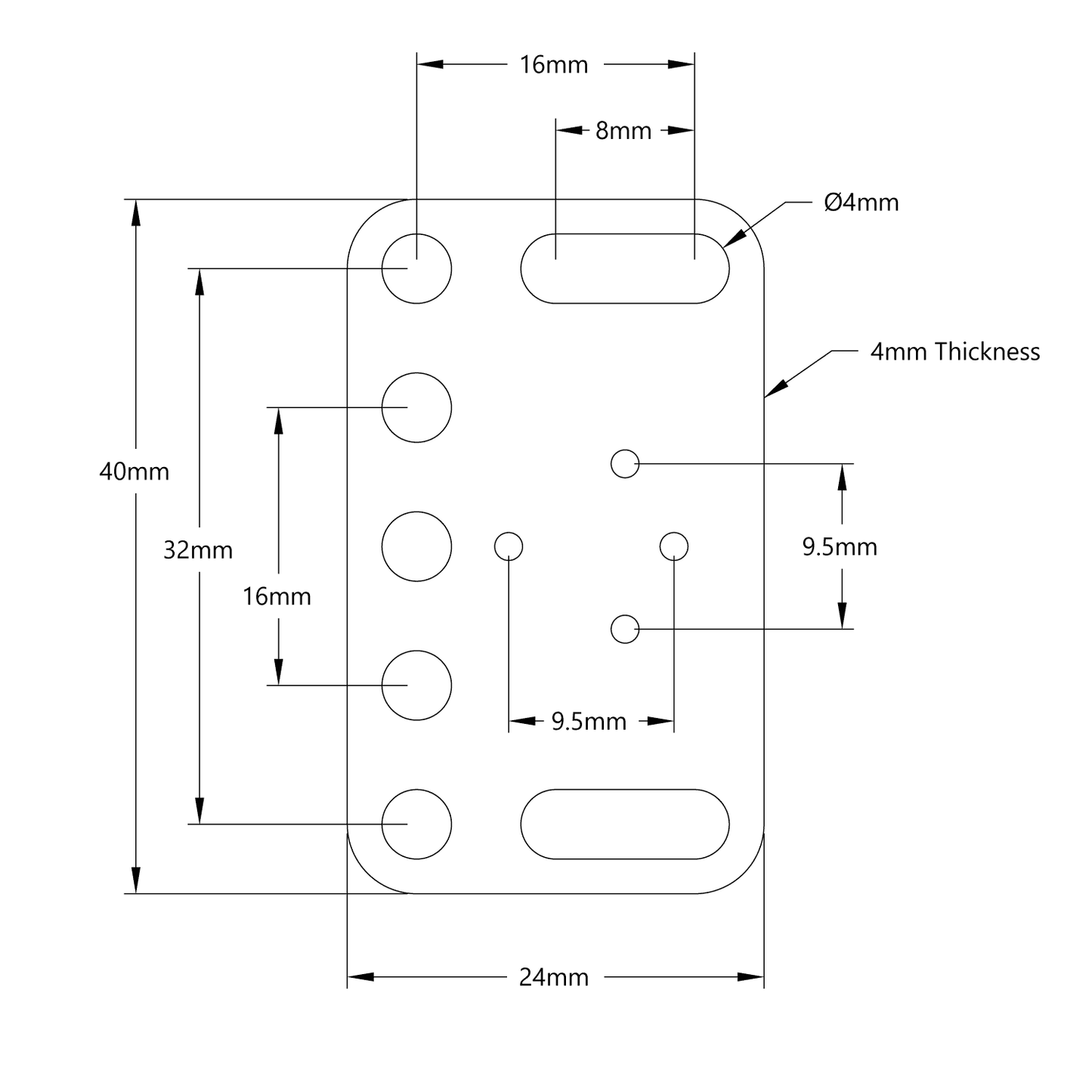
This limit switch mount offers several different mounting possibilities. The increased width over the 1207-0032-0001 enables it to span across the slot of goRAIL.
Specs
Weight | 4.8g Each |
---|---|
Material | Plastic |
This limit switch mount offers several different mounting possibilities. The increased width over the 1207-0032-0001 enables it to span across the slot of goRAIL.
Weight | 4.8g Each |
---|---|
Material | Plastic |